Самодельный мини экскаватор своими руками: выбор, ковш и чертежи прицепного миниэкскаватора

Чтобы не арендовать технику для земельных работ, многие хотят собрать мини-экскаватор своими руками, но далеко не у каждого эта мечта достигает логического завершения, поскольку на изготовление самодельного экскаватора необходимо свободное время, чертежи и средства на реализацию задуманного.

Несмотря на малые размеры самодельные мини-экскаваторы ничем не уступают технике, изготовленной в заводских условиях. Имеют даже некоторые преимущества: небольшой вес, низкое потребление топлива, простота транспортировки и пр.

Размер мини-экскаватора дает возможность работать практически на любой территории, даже в закрытых помещениях. Такие механизмы часто применяют на ферме или даче для рытья ям и прокладки подземных коммуникаций к помещениям.

Перед тем как изготавливать мини-экскаватор, надо определиться с его типом. Варианты могут быть такие:

  1. Экскаватор на базе мини-трактора либо авто. Оборудование будет навесным. Простейшим способом будет вариант переделки на базе автомобиля. Можно сохдать абсолютно автономную модель (на колесном или гусеничном ходу), которая передвигается самостоятельно или транспортируется с помощью вспомогательных средств. Главное преимущество навесного оборудования в том, что в любой момент его можно демонтировать для использования техники по своему прямому назначению.
  2. Еще один вариант — это сделать самодельный мини-экскаватор «с нуля». Но этот вариант достаточно трудоемкий, так как требует специфических знаний и огромного количества запчастей.

Самый простой и дешевый вариант — это миниэкскаватор на основании прицепа, состоящего из несущей рамы с колесной парой, на который установлен автономный ДВС, гидропривод и специфическое оборудование.

Подготовительный этап работ

Сначала нужно определиться, какой именно экскаватор вам нужен. Малогабаритная землеройная техника бывает двух видов: самоходная или прицепная. В первом случае, вам понадобится двигатель, чтобы экскаватор мог самостоятельно передвигаться. Во втором случае, техника может крепиться к трактору или другому тягачу. Стоит отметить, что навесные модели гораздо проще сделать своими руками, чем самоходные.Мини-экскаватор

Любые работы по созданию техники начинаются с чертежей. Это поможет лучше рассчитать тяговое усилие, определится с количеством материала, и продумать внешний вид экскаватора. Чертежи можно заготовить самостоятельно, или воспользоваться готовыми эскизами в интернете.

Подбираем нужные узлы

Чтобы компактный экскаватор практически ничем не уступал более тяжёлым машинам, его делают по их образцу. Соответственно самодельная модель должна иметь следующие элементы:

  • Ходовая часть. При создании прицепного варианта подойдёт металлическая сварная рама и одна колёсная пара.
  • Двигатель. Учитывая, что техника будет работать с тягачом, мощный силовой агрегат ставить не имеет смысла. Можно обойтись небольшим двигателем, мощностью от 6.4 КВт. Этого вполне хватит, чтобы запустить гидронасос.
  • Платформа. Здесь будут расположены основные узлы и механизмы, рулевое управление и кресло оператора.
  • Гидравлическая система. Сюда входят: насос, фильтр, соединительные шланги и гидрораспределители.
  • Стрела с ковшом. Этот рабочий элемент можно купить в готовом виде.

Приступаем к работе

Любые работы по созданию техники начинаются с чертежей. Это поможет лучше рассчитать тяговое усилие, определится с количеством материала, и продумать внешний вид экскаватора. Чертежи можно заготовить самостоятельно, или воспользоваться готовыми эскизами в интернете.

Подбираем нужные узлы

Чтобы компактный экскаватор практически ничем не уступал более тяжёлым машинам, его делают по их образцу. Соответственно самодельная модель должна иметь следующие элементы:

  • Ходовая часть. При создании прицепного варианта подойдёт металлическая сварная рама и одна колёсная пара.
  • Двигатель. Учитывая, что техника будет работать с тягачом, мощный силовой агрегат ставить не имеет смысла. Можно обойтись небольшим двигателем, мощностью от 6.4 КВт. Этого вполне хватит, чтобы запустить гидронасос.
  • Платформа. Здесь будут расположены основные узлы и механизмы, рулевое управление и кресло оператора.
  • Гидравлическая система. Сюда входят: насос, фильтр, соединительные шланги и гидрораспределители.
  • Стрела с ковшом. Этот рабочий элемент можно купить в готовом виде.

Приступаем к работе

Некоторые домашние умельцы, собирают самодельный мини-экскаватор из готовых узлов. Необходимые детали приобретаются в магазинах, но в этом случае, гораздо проще и дешевле будет купить уже готовую модель. Поэтому мы рассмотрим вариант самостоятельной сборки из старых деталей.Рама

Рама. Этот элемент рекомендуется делать из металлического швеллера № 8 или 10. Швеллер разрезается на куски нужной длины и соединяется между собой при помощи сварки. К раме крепится колёсная ось от старого автомобильного прицепа. Сверху к швеллеру привариваются металлические листы, это будет платформа для оборудования. Рекомендуется сразу определить место для крепления стрелы, и усилить его дополнительными листами железа и кронштейнами.

Стрела с ковшом. Если у вас нет опыта по сборке сложных механизмов, то лучше купить уже готовую стрелу. При самостоятельном изготовлении стрелы, рекомендуется использовать трубы круглого или квадратного сечения, с толщиной стенок 6-8 миллиметров. Стрела состоит из трёх частей, которые соединяются между собой шарнирами или втулками.

Рама. Этот элемент рекомендуется делать из металлического швеллера № 8 или 10. Швеллер разрезается на куски нужной длины и соединяется между собой при помощи сварки. К раме крепится колёсная ось от старого автомобильного прицепа. Сверху к швеллеру привариваются металлические листы, это будет платформа для оборудования. Рекомендуется сразу определить место для крепления стрелы, и усилить его дополнительными листами железа и кронштейнами.

Стрела с ковшом. Если у вас нет опыта по сборке сложных механизмов, то лучше купить уже готовую стрелу. При самостоятельном изготовлении стрелы, рекомендуется использовать трубы круглого или квадратного сечения, с толщиной стенок 6-8 миллиметров. Стрела состоит из трёх частей, которые соединяются между собой шарнирами или втулками.

Ковш можно сварить самостоятельно, из металлических листов. Чтобы конструкция получилась достаточно прочной, рекомендуется усилить верхнюю часть дополнительной полоской металла, пустить продольные рёбра жёсткости и сделать «клыки». Для изготовления зубьев ковша, можно использовать металлические «пальцы», позаимствованные с гусениц старого трактора.Ковш

Гидравлика. Это самый сложный элемент мини-экскаватора. Гидросистема отвечает за работу стрелы. Чтобы стрела опускалась, поворачивалась и двигалась, вам понадобятся 3 гидравлических цилиндра. Ещё один будет отвечать за управление ковшом. Снять их можно с любого старого грузового автомобиля, где цилиндры отвечают за подъём кабины.Гидравлика

Самостоятельно изготовить гидравлический цилиндр практически невозможно, поэтому не тратьте времени, а походите по автобазам и гаражам. Там вы наверняка сможете найти нужную вам деталь.

Чтобы гидравлическая система работала, необходимо установить насос. Оптимально подойдёт насос шестеренчатого типа НШ-10. В комплекте с насосом можно использовать четырёхсекционный гидрораспределитель Р-16А или РГС-253. Всё гидравлическое оборудование соединяется между собой шлангами. Насос соединяется с двигателем, на платформе устанавливается ёмкость для масла.

Последние штрихи

Как видите, сделать мини-экскаватор можно, достаточно приложить немного усилий. В принципе, после приведённых выше этапов сборки, самодельная техника готова к эксплуатации. Чтобы работать с комфортом, можно сделать навес или небольшую кабину из металлического профиля. Внутри установить сиденье от легкового автомобиля. Если планируется работать в тёмное время суток, имеет смысл подумать об освещении.

Перед тем как приступать к сборке, подумайте, может лучше будет приобрести уже готовый мини-экскаватор? Самодельные варианты обходятся не намного дешевле, и требуют определённых навыков при сборке.

РАССКАЖИ ДРУЗЬЯМ

Похожие статьи:

  • Самодельный мини экскаватор своими руками: выбор, ковш и чертежи прицепного миниэкскаватора

    Дорожный каток — как подобрать машину с необходимыми параметрами

  • Самодельный мини экскаватор своими руками: выбор, ковш и чертежи прицепного миниэкскаватора

    Автогрейдер – что нужно знать об этой технике

  • Самодельный мини экскаватор своими руками: выбор, ковш и чертежи прицепного миниэкскаватора

    Экскаватор-погрузчик «Амкодор» — новое слово в машиностроении

Конструкция мини-экскаватора

Большинство самодельных моделей имеют такую же компоновку, как и заводской автомобильный экскаватор. Основные элементы конструкции состоят из следующих узлов:

  • несущая рама на гусеницах либо экскаватор на автомобильном ходу;
  • мотор, приводящий в действие гидравлическую систему;
  • опорно-поворотная система;
  • гидравлика (гидравлический насос, масляный фильтр, бак, ручной рычаг управления, гидроцилиндры, шланги);
  • двухсекционная стрела с ковшом.

Неплохим решением будет установить самодельный экскаватор на т 40 или же самому изготовить прицеп из узлов, на котором будет установлен: двигатель, бак, колесная ось от старого авто. Для создания устойчивости в период работы желательно заранее предусмотреть дополнительное укрепление, состоящее из пары опорных «башмаков», которые исключат возможность опрокидывания, то есть экскаватор на автомобильном шасси будет надежно стоять во время работы. В качестве двигателя часто применяют компактные японские либо более дешевые китайские ДВС, мощность которых достигает 15 кВт.

Что такое мини экскаваторы и где они используются?

Мини экскаваторы являются уменьшенными по размерам, но сохранившими полный набор функций, родственниками полноразмерной техники этого вида. Маленьким машинам присуща классическая компоновка и схема рабочего цикла как у больших образцов. Главным рабочим инструментом здесь служит ковш небольшого объема, который прикрепляется к стреле по наиболее распространенной схеме ”обратная лопата”.

Фото мини экскаватора

Стрела выполняется по  общепринятой схеме и может быть как моноблочной, так и двухрычажной. Относительно рабочей платформы стрела передвигается в горизонтальной плоскости. Некоторые модели кроме поворота стрелы имеют функцию поперечного ее смещения относительно продольной оси машины, что расширяет возможности выполнения некоторых видов работ.

Отличительными чертами мини экскаваторов всех производителей можно назвать: управление машиной с помощью джойстиков, автоматическую настройку гидравлической системы в соответствии с рабочими нагрузками, развитую звуко- и виброизоляцию рабочего места оператора и моторного отделения. Кроме этого все машины этого класса имеют небольшой бульдозерный отвал, служащий для очистки рабочей зоны и увеличения упора при работе.

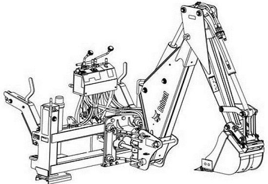
Мини экскаватор Kubota U17-3

Для передвижения подобные агрегаты используют гусеничное шасси, колесные разновидности встречаются гораздо реже. Шасси удачно совмещает в себе достаточную маневренность и хорошую проходимость и отличается низким значением удельного давления на грунт.

Небольшие габаритные размеры таких машин и ”игрушечная” масса (около 350 кг самые легкие образцы), позволяют обойтись для их перевозки без специальных прицепов, достаточно бывает грузовой ”ГАЗели”.

Для передвижения подобные агрегаты используют гусеничное шасси, колесные разновидности встречаются гораздо реже. Шасси удачно совмещает в себе достаточную маневренность и хорошую проходимость и отличается низким значением удельного давления на грунт.

Небольшие габаритные размеры таких машин и ”игрушечная” масса (около 350 кг самые легкие образцы), позволяют обойтись для их перевозки без специальных прицепов, достаточно бывает грузовой ”ГАЗели”.

Подавляющее большинство производителей подобной техники используют в своих экскаваторах дизельные двигатели японского производства мощностью от 6,4 до 41 кВт, это способствует унификации линейки запасных частей для разных моделей.

Мини экскаваторы нашли свое применение при выполнении земляных работ относительно небольшого объема, таких например как: прокладка магистралей связи в городах, посадка деревьев, установка дорожных знаков и других подобных действиях, где применение большой техники невыгодно или невозможно.

Строительство самодельных мини экскаваторов

Пытливые умы и беспокойные руки самодельщиков довольно часто заставляют людей браться за постройку техники своими руками. Не остались без внимания и мини экскаваторы, строят их по всему миру и в нашей стране в том числе.

Две основные схемы, применяемые при изготовлении самодельных землеройных машин, навесная экскаваторная установка на минитрактор и автономный самодельный мини экскаватор. Машина последней схемы может быть как самоходной, так и прицепной, что требует дополнительного транспорта для ее доставки к месту работы.

Самоделки отечественного производства в основной своей массе комплектуются гидравлическими насосами марки НШ-10, которые отличаются простотой конструкции и неприхотливостью в обслуживании. Большим плюсом является и доступность этих механизмов. Насосы хорошо работают в паре с распределителями Р-16А, эта комбинация становится классической в самодельных машинах с гидравлическим приводом.

Самодельный мини экскаватора

Для привода гидравлики в действие используются практически те же дизели, что и на промышленных образцах экскаваторов, в последнее время самодельщики все чаще применяют китайские моторы Лифан (аналог Хонды), которые более доступны по цене, чем японские образцы.

Не обходится, конечно, без применения самых разных комбинаций на основе отечественных двигателей разного происхождения, но такие случаи редки.

Для осуществления рабочего хода стрелы и ковша используют гидроцилиндры от сельскохозяйственной техники с небольшими доработками. Для самодельщика это самый приемлемый вариант.

Отдельные части стрелы выполняются из труб 80х80 или свариваются из выкроенных заготовок листового металла толщиной 6 – 8 миллиметров. Для ковша используют металл той же толщины, для усиления конструкции на него наваривают пояс в верхней части и продольные ребра. Для эффективной работы ковша его снабжают ”клыками” из качественной стали (как вариант – пальцы от тракторных гусениц).

Для привода гидравлики в действие используются практически те же дизели, что и на промышленных образцах экскаваторов, в последнее время самодельщики все чаще применяют китайские моторы Лифан (аналог Хонды), которые более доступны по цене, чем японские образцы.

Не обходится, конечно, без применения самых разных комбинаций на основе отечественных двигателей разного происхождения, но такие случаи редки.

Для осуществления рабочего хода стрелы и ковша используют гидроцилиндры от сельскохозяйственной техники с небольшими доработками. Для самодельщика это самый приемлемый вариант.

Отдельные части стрелы выполняются из труб 80х80 или свариваются из выкроенных заготовок листового металла толщиной 6 – 8 миллиметров. Для ковша используют металл той же толщины, для усиления конструкции на него наваривают пояс в верхней части и продольные ребра. Для эффективной работы ковша его снабжают ”клыками” из качественной стали (как вариант – пальцы от тракторных гусениц).

Еще один экскаватора сделанный своими руками

Мини экскаватор своими руками достаточно дорогостоящая самоделка и перед началом работ стоит все же подумать, оправдают ли себя затраты на его изготовление или же дешевле купить готовый образец, которые присутствуют на рынке в достаточном количестве.

И напоследок несколько фото и видео самоделок со всего мира.

Похожие статьи:

  1. Экскаватор ЭО-2621
  2. Как сделать каракат своими руками на шинах низкого давления
  3. Делаем колеса низкого давления своими руками
  4. Трактор с ломающейся рамой своими руками – делать или нет?

Мини экскаватор своими руками достаточно дорогостоящая самоделка и перед началом работ стоит все же подумать, оправдают ли себя затраты на его изготовление или же дешевле купить готовый образец, которые присутствуют на рынке в достаточном количестве.

И напоследок несколько фото и видео самоделок со всего мира.

Похожие статьи:

  1. Экскаватор ЭО-2621
  2. Как сделать каракат своими руками на шинах низкого давления
  3. Делаем колеса низкого давления своими руками
  4. Трактор с ломающейся рамой своими руками – делать или нет?

Понравилась статья? Поделиться с друзьями:
Журнал про спецтехнику flynice.ru. Обзоры спецтехники